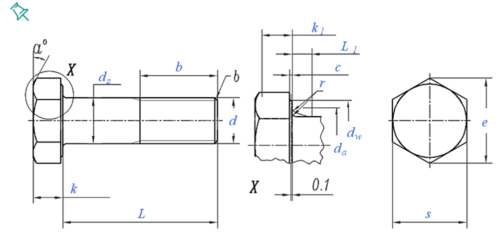
Ang mga panlabas na hexagon screws & bolts ay mga fast fasten na kinikilala para sa kanilang anim na panig na disenyo ng ulo, na inhinyero upang maihatid ang mataas na metalikang kuwintas na paghahatid at mekanikal na katatagan sa buong pang-industriya na aplikasyon. Ginawa mula sa carbon steel (grade 8.8, 10.9, o 12.9) o pasadyang mga haluang metal, ang mga fastener na ito ay mula sa miniature M1.6 na mga thread hanggang sa mabibigat na tungkulin na M64 diameters, na may haba na sumasaklaw sa 12mm hanggang 500mm upang mapaunlakan ang magkakaibang mga kinakailangan sa pag-load. Ang panlabas na ulo ng hex ay nagbibigay -daan sa pakikipag -ugnay sa wrench o socket, tinitiyak ang ligtas na paghigpit sa mga nakakulong na puwang - kritikal para sa pag -iipon ng mga frame ng makinarya, istruktura na mga kasukasuan ng bakal, o mga sangkap ng automotiko kung saan ang paglaban ng panginginig ng boses ay pinakamahalaga.
Ang mga paggamot sa ibabaw tulad ng hot-dip galvanizing battle rust sa mga panlabas na kapaligiran (hal., Mga tulay, mga tower ng paghahatid), habang ang mga itim na coatings ng oxide ay nagbabawas ng magaan na pagmuni-muni sa mga optika ng katumpakan o hardware ng militar. Ang mga espesyal na pagtatapos tulad ng PTFE o electrophoretic pintura ay nagpapaganda ng paglaban ng kemikal para magamit sa mga halaman sa pagproseso ng kemikal o kagamitan sa dagat. Ang mga pasadyang color-coding (asul, pula) na pantulong sa pamamahala ng imbentaryo o mga protocol ng kaligtasan, nakikilala ang mga rating ng pag-load o mga materyal na marka sa site. Sa pamantayang pagpapaubaya ng thread at mga lakas ng makunat, ang mga bolts na ito ay nakakatugon sa mga pagtutukoy ng ISO at ASTM, pagbabalanse ng kahusayan sa gastos na may pagganap para sa mga industriya mula sa nababago na enerhiya hanggang sa mabibigat na pagmamanupaktura. Ang kanilang kakayahang umangkop sa materyal, patong, at sizing ay ginagawang isang unibersal na solusyon para sa mga inhinyero na pinahahalagahan ang tibay, kadalian ng pag -install, at pagsunod sa mahigpit na pamantayan ng mekanikal.


























